Установка ПИК-074П
Установка ПИК-074П
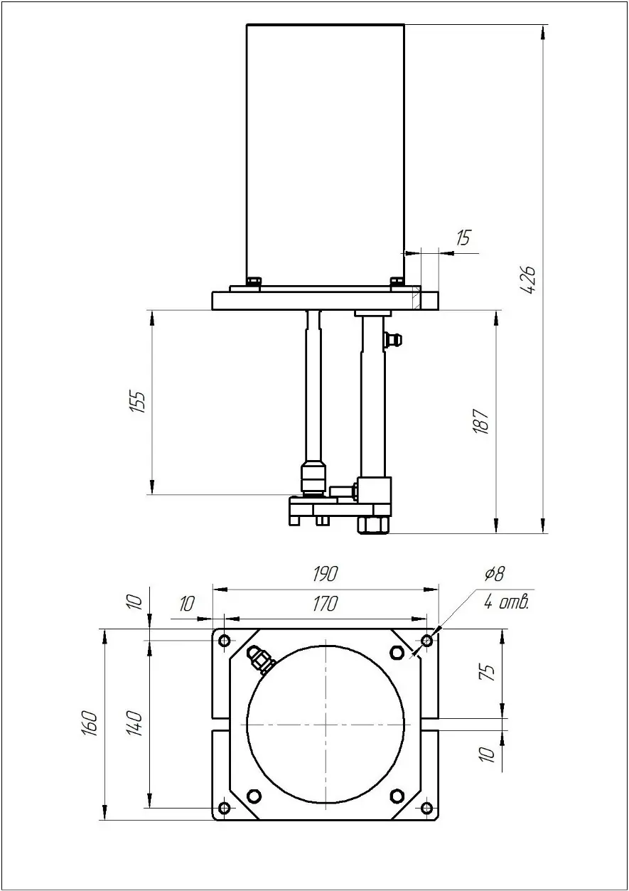
Установка ПИК-074П — это инновационное устройство для непрерывного автоматического контроля гранулометрического состава потоков пульповых продуктов, транспортируемых по трубопроводам и желобам. Прибор позволяет точно измерять размер частиц и контролировать качество измельчения материалов в реальном времени. Гранулометр незаменим для оптимизации технологических процессов на промышленных предприятиях.
Ключевые преимущества:
высокая точность измерений (погрешность до 2 %);
широкий диапазон измерений (от 0,028 до 1,6 мм);
непрерывный мониторинг без необходимости ручного отбора проб;
простота установки и эксплуатации;
устойчивость к эксплуатационным нагрузкам благодаря специальному износостойкому покрытию;
калибровка по данным ситового анализа;
универсальность применения в различных отраслях промышленности.
Функциональные возможности:
непрерывное определение и отображение на цифровом дисплее величины процентного содержания контрольных классов крупности частиц в пульпе;
возможность просмотра на дисплее измеренных и вычисленных значений;
выдача стандартного аналогового сигнала на регулирующие устройства;
передача данных по каналам связи;
установка режимов работы, выбор диапазонов, ввод коэффициентов калибровки и настройки при помощи цифровой клавиатуры;
исключение влияния пузырьков воздуха, изменений плотности пульпы, температуры, включений магнитных фракций на точность измерений;
автоматическая промывка для предотвращения засорения;
дистанционный контроль через интерфейс ModBus.

Область применения
горнодобывающая промышленность;
обогатительные фабрики;
металлургические предприятия;
химическая промышленность;
абразивное производство;
производство строительных материалов;
цементное производство.
Решение ключевых производственных задач с
ПИК-074П
Гранулометр помогает решить следующие задачи:
обеспечить контроль качества измельчения материалов;
оптимизировать технологические процессы на производстве;
обеспечить контроль классов в режиме реального времени;
упростить мониторинг работы оборудования.
Принцип действия
Принцип работы гранулометра «ПИК-074П» основан на ежесекундном измерении линейных размеров крупности частиц в потоке пульпы методом ощупывания и расчете процентного класса крупности частиц по заданному алгоритму.
Работа гранулометра основана на щуповом методе измерения. Датчик крупности захватывает частицы между пятой и подпятником, преобразуя их размеры в электрические сигналы. Измерительный шток совершает движения с частотой 1 раз в секунду, что обеспечивает постоянный мониторинг гранулометрического состава.
Микрометрический щуп датчика крупности устанавливается непосредственно в рабочую среду с помощью выносных штанг. Через эксцентрик щуп подсоединён к электроприводу, который сообщает ему возвратно-поступательное движение. Изменение длины хода измеряется индуктивным датчиком, аналоговый сигнал которого поступает в блок аналого-цифровой преобразователь (АЦП), где преобразуется в цифровой. Цифровой сигнал передаётся в контроллер, где происходит его цифровая обработка.
Достоинства и преимущества
Уникальные алгоритмы расчёта.
Гранулометр ПИК-074П оснащён запатентованными алгоритмами (патенты РФ) для расчёта процентного содержания классов крупности пульпы. Благодаря этому можно с высокой точностью отслеживать изменения гранулометрического состава. Подобные алгоритмы не имеют аналогов на рынке.Надёжная защита деталей от внешних воздействий.
Детали датчика крупности ДКП-05, которые контактируют с пульпой, покрыты специальным составом. Это обеспечивает:защиту от механического износа;
устойчивость к воздействию кислот и щелочей;
надёжную работу даже при наличии крупных включений в пульпе.
Непрерывный анализ гранулометрического состава.
Прибор позволяет проводить анализ гранулометрического состава пульпы в непрерывном режиме прямо в потоке. Это значительно упрощает процесс мониторинга и повышает эффективность производственного контроля.Расширенные возможности измерения.
С помощью гранулометра ПИК-074П можно измерять до двух классов крупности пульпы. Результаты измерений выводятся в виде процентного содержания и могут быть переданы через:аналоговый сигнал (4–20 мА);
интерфейс RS-485.

Примеры успешных внедрений
ПИК-074П успешно эксплуатируется на ведущих предприятиях:
Лебединский ГОК;
Стойленский ГОК;
АО «Комбинат КМАруда»;
ОФ Лай-У (Китай);
АО «ССГПО» (Казахстан);
АО «Кольская ГМК» и других.
Почему ПИК-074П лучше конкурентов?
расширенный диапазон измерений по сравнению с аналогами;
улучшенная конструкция с плавающим креплением подпятника;
специальное износостойкое покрытие;
более точная калибровка благодаря среднеквадратической погрешности;
запатентованные алгоритмы расчёта процентного содержания классов крупности пульпы.
Дополнительные возможности:
интеграция с системами автоматизации производства;
подключение пробоотборника любого типа в зависимости от места установки;
реализация функции автоматической промывки;
организация дистанционного контроля через интерфейс ModBus.
Преимущества использования ПИК-074П:
существенная экономия времени на пробоотборе;
высокая точность измерений;
снижение влияния человеческого фактора за счёт автоматизации процессов;
простота установки и технического обслуживания.












